| 干簧式浮球液位控制器 |
| 产品型号:RUQK-71 |
概述:
UQK-71系列干簧式浮球液位控制器,广泛用于民用建筑用水池、水塔、水箱,以及石油化工、造纸、食品、污水处理等行业内开口或密闭储罐,地下池槽中各种液体的液位测量,被检测的介质可分水、油、酸、碱、工业污水等各种导电及非导电液体,本控制器与本厂的DK-10电机控制箱配套使用可对液位进行自动控制。 |
型号说明:
结构形式(型号) |
结果 |
功能 |
a |
一只常开干簧(上位)
一只常闭干簧(下位) |
高水位开泵
低水位停泵与DK-10可配套 |
b |
一只常闭干簧(上位)
一只常开干簧(下位) |
高水位停泵
低水位开泵与DK-10可配套 |
c |
一只常开干簧管(上位)
一只常开干簧管(下位) |
与DK-10电机控制箱配套实现自动控制 |
d |
三只常开干簧管
一只常闭干簧管 |
用于上、下位液位控制和高低极限液位报警与DK-10可配套 |
e |
一只常闭干簧管
三只常开干簧管 |
用于上、下位液位控制和高低极限液位报警与DK-10可配套 |
f |
四只常开干簧管 |
与DK-10电机控制箱配套实现自动控制 |
(注:需控制4点以上的控制器可协商解决) |
|
主要技术性能:
1、测量范围
G型(不锈钢)≤4m,(4m以上协商解决)
F型(氟塑料)≤4m
2、被测介质温度
国产干簧管-10℃~+80℃,进口干簧管-10~+120℃
3、被测介质比重:〉0.8g/cm3
4、工作压力:≤1.0MPa
5、干簧管触点容量:220VAC,0.5A |
工作原理:
在控制器中装若干只GAG-5型大功率干簧管,当装有磁钢的浮球随液位上、下时干簧管的触点随着发生动作,从而达到控制液位的目的。愚本厂的DK-10电机控制箱配套,可驱动泵对液位进行全自动控制。 |
|
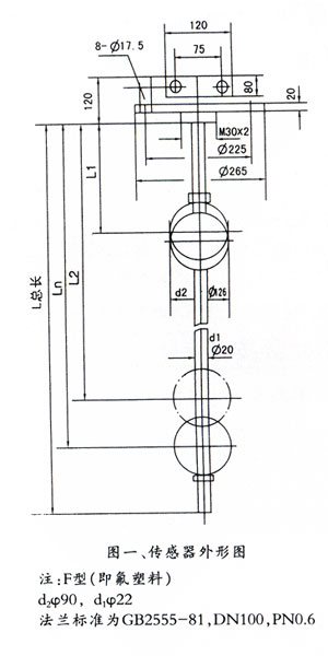
安装与接线:
1、法兰连接G-法兰标准GB2555-81DN150、PN1.0;F-法兰标准GB2555-81DN100,PN0.6(其它法兰标准协商解决)螺纹安装螺纹尺寸M30×2
2、传感器与显示仪之间的联接线不能与交流电源线同路敷设,因为感应交流电有可能会影响仪表,同时为了避免干扰信号,尽可能使用屏蔽电缆在铁管内敷设。
3、传感器在被测容器上,其安装方法见图二,传感器下端最好与容器底部固定牢。
4、由于受铁路运输的限制,大于4m以上采取分段装箱,安装时由用户自行焊接,焊接后需将焊缝锉平正,并做好水压试验(压力小于0.6MPa)确定不漏方可合使用,F型的传感器还须将随箱来的氟塑料套管套上并固定;或用户自行解决运输问题。 |
  |